![]() |
咨詢熱線:13905285398
|
產品中心 Products
center
|
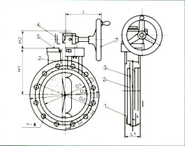
D371-10S/V型蝸輪式蝶閥價格:面議發布時間:2022/4/1 14:39:37 來源:http://www.bxgg08.com/ 生產廠家:鎮江市神龍電器管件有限公司 |
本文將會在D371-10S/V型蝸輪式蝶閥的特性、用途、規格上面做詳細的說明與介紹,鎮江市神龍電器管件有限公司作為是專業的D371-10S/V型蝸輪式蝶閥生產廠家,為您選購適合自己的產品做一定的指導是必要的。 要問D371-10S/V型蝸輪式蝶閥哪里好,當選神龍管件。
詳細信息
D371-10S/V型蝸輪式蝶閥操作力矩小,是所有閥類中操作力矩zui小的一種,啟閉迅速,以壓縮空氣為動力,通過活塞齒條,齒輪的機械傳動閥桿,以角行程輸出的扭矩轉動閥板0~90°,就能快速的完成啟閉動作,結構簡單、體積小、重量輕、流阻小、流量系數大,密封性能好。調節范圍大。


上一篇我們就D371-10S/F2型蝸輪式蝶閥做了詳細介紹和說明, D371-10S/U型蝸輪式蝶閥在下一篇繼續做詳細介紹,如需了解更多我們的信息,請持續關注。
本文由D371-10S/V型蝸輪式蝶閥生產廠家鎮江市神龍電器管件有限公司于2022/4/1 14:39:37整理發布。
轉載請注明出處:http://www.bxgg08.com/df/5019.html。
上一篇: D371-10S/F2型蝸輪式蝶閥
下一篇:D371-10S/U型蝸輪式蝶閥
相關新聞
- PP管的優點和選購注意事項2022-03-22
- FRPP管在施工過程中的規劃2022-03-15
- pp管的三點安裝工藝步驟2022-03-09
- PPH管的連接方式有哪三種2022-03-02
- FRPP管的運用范圍及改性性能2022-02-25
- 為什么pp管能廣泛用于環保排污工程2022-02-21
- PVDF管道焊接工藝的材料準備2021-11-26
- 選購時PP管件注意及購買后運輸2021-11-18
相關產品





